Устройство и принцип работы циклона БЦ-245-1-(4x4)
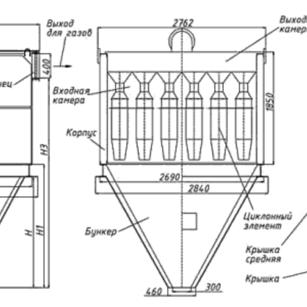
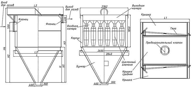
Батарейные циклоны БЦ-245-1-(4x4) — это ряд полых цилиндрических корпусов с конусообразной нижней частью, входными патрубками и аппаратами закручивания (полуулитками). Внутри общего корпуса батарейного циклона расположен ряд циклонных элементов, где каждый последующий устанавливается ниже предыдущего.
Циклон батарейный БЦ-245-1-(4x4) состоит из трех камер (верхняя, средняя, нижняя). Сначала потоки загрязненного воздуха попадают в средний отсек и проникают во все циклонные элементы. Далее, за счет центробежной силы, зола и пыль оседает на стенках средней камеры. При контакте со встречными потоками воздуха, твердые частицы золы и пыли попадают в нижнюю секцию (бункер), в то время как обработанный чистый воздух проходит через верхнюю камеру и выходит из системы.
Условное обозначение
Циклон БЦ-245-1-(4x4), где:
- Ц — циклон;
- Б — батарейный.
- 245 — диаметр циклонного элемента, мм;
- 1 — количество секций;
- (4x4) — количество элементов.
Монтаж циклона БЦ-245-1-(4x4)
Эффективность работы батарейного циклона БЦ-245-1-(4x4) зависит от соблюдения СНиП 11-35-76 «Котельные установки» и «Правил устройства и безопасной эксплуатации паровых и водогрейных котлов». Чтобы не допустить перепад температур и образования конденсатов в нижней камере циклона, прибор устанавливают внутри помещения. Если котельная располагается за пределами помещения или не имеет стабильность температуры, то корпус циклона обшивается теплоизоляционными материалами.
Установка и пуско-наладочные работы выполняют специалисты, которые имеют разрешение на проведение данных работ. При установке циклона на удаленном расстоянии от котла, недопустимы перегибы, сужения и расширения газопровода.



